Ersatzteile
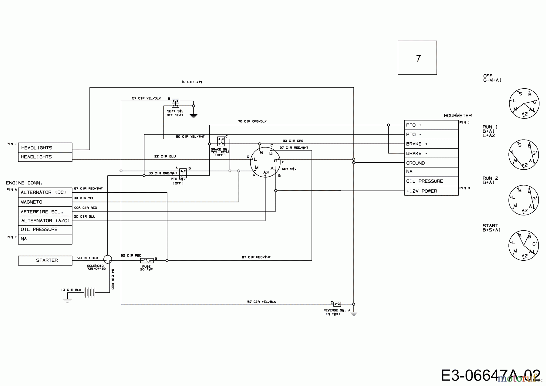
Schaltplan 13TT79RF650 (2011)

Ersatzteile für WOLF-Garten Geräte können Sie bei uns ganz einfach online kaufen. Wählen Sie das Ersatzteil über die Ersatzteilliste Ihres Gerätes aus.
| BildNr | Artikel Nummer | Bezeichnung | |
| 7 | 725-05259 | KABELBAUM:LT5:SD:4POS:B&S:HRM | |


Qualitätsmanagement
Informieren Sie uns, wenn Sie einen Fehler gefunden haben.