Einkaufswagen
Mein Konto

Ersatzteile

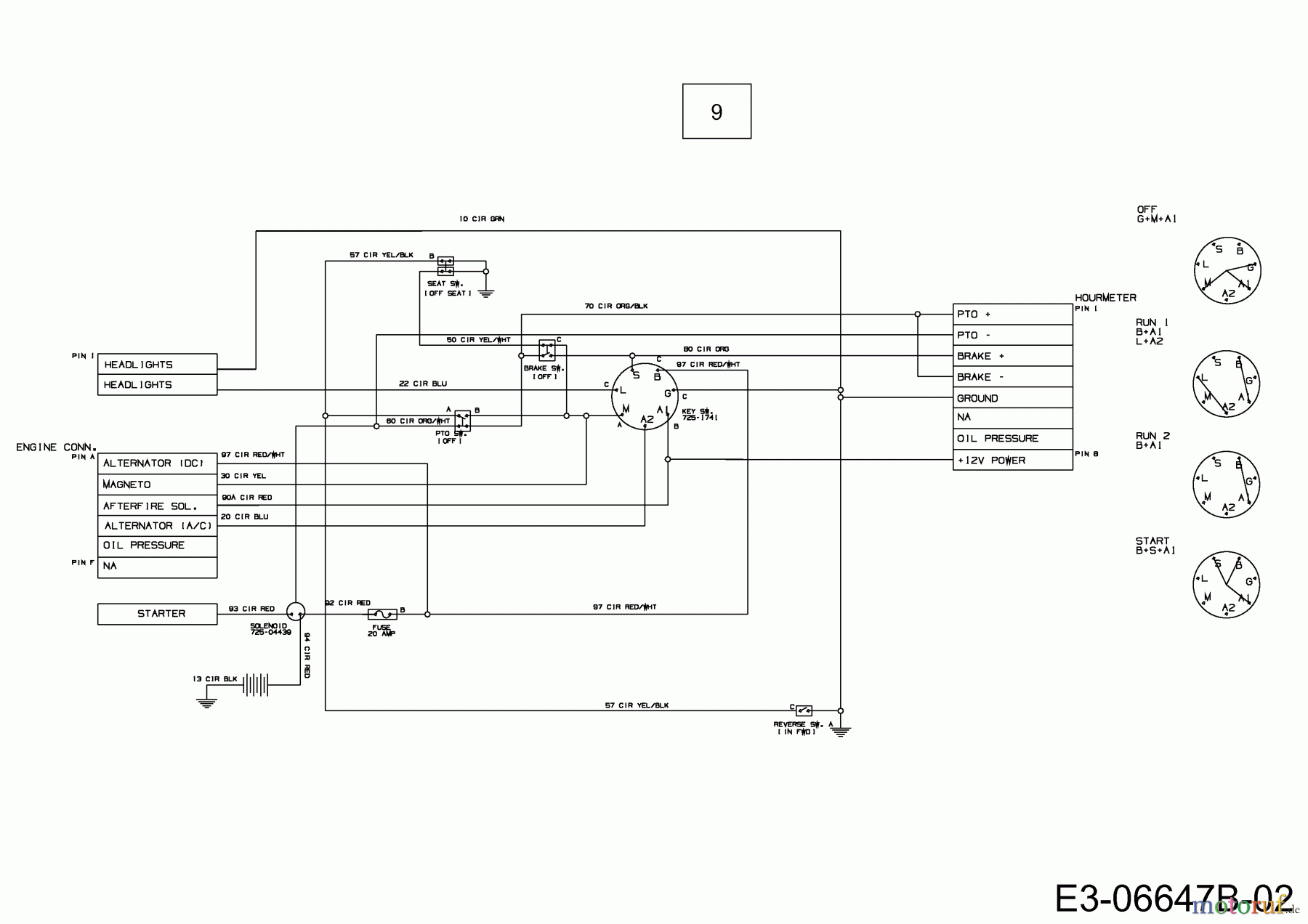
Schaltplan 13TT79RG650 (2012)

 Wolf-Garten Rasentraktoren Blue Power 107.200 H 13TT79RG650  (2012) Schaltplan

Ersatzteile für WOLF-Garten Geräte können Sie bei uns ganz einfach online kaufen. Wählen Sie das Ersatzteil über die Ersatzteilliste Ihres Gerätes aus.

BildNrArtikel NummerBezeichnung
9 725-05320AKABELBAUM:LT-5:4POS:B&S:TEC
Bankeinzug, MasterCard, Visa, American Express, PayPal, Nachnahme, Vorauskasse, Sofortüberweisung