Ersatzteile
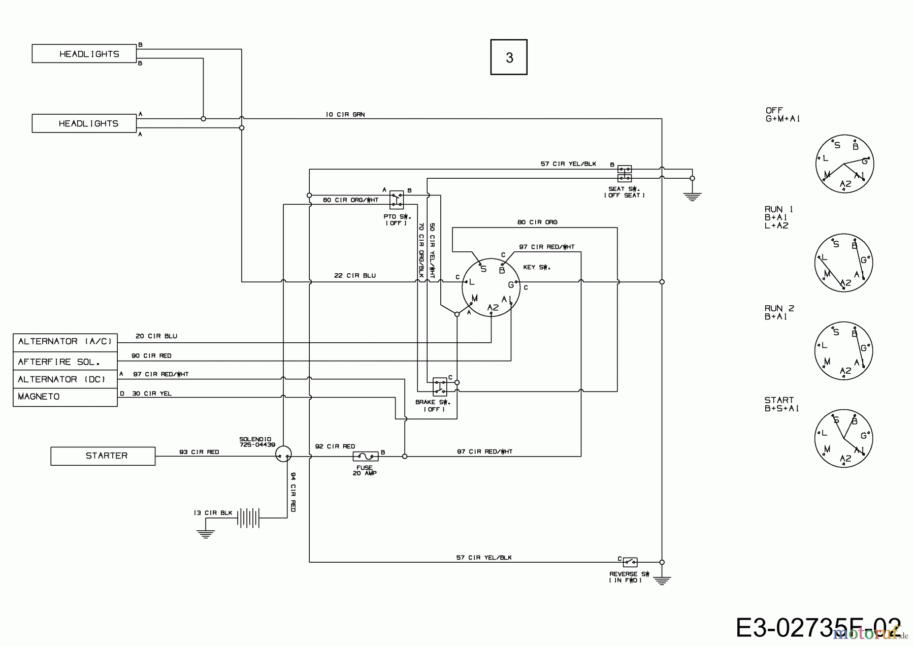
Schaltplan 13TN79RG650 (2013)

Ersatzteile für WOLF-Garten Geräte können Sie bei uns ganz einfach online kaufen. Wählen Sie das Ersatzteil über die Ersatzteilliste Ihres Gerätes aus.
| BildNr | Artikel Nummer | Bezeichnung | |
| 3 | 725-04433F | KABELBAUM:LT-5:NO RMC:4-POS | |

