Ersatzteile
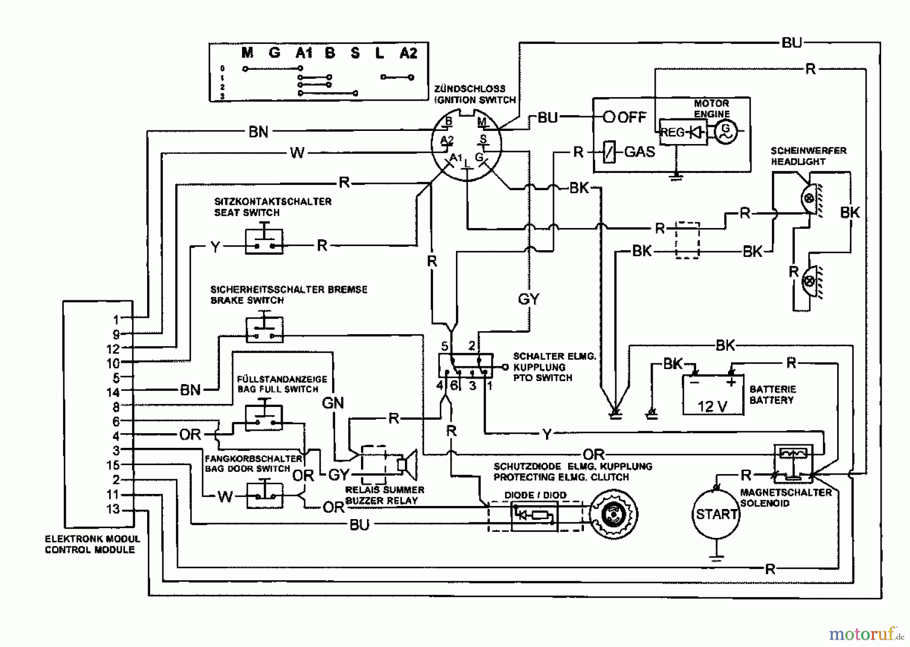
Schaltplan 6205000 Serie C (2004)

Ersatzteile für WOLF-Garten Geräte können Sie bei uns ganz einfach online kaufen. Wählen Sie das Ersatzteil über die Ersatzteilliste Ihres Gerätes aus.
| BildNr | Artikel Nummer | Bezeichnung | |
| 1 | 999.99.998 | MTD/GUTBRODTEIL | |


Qualitätsmanagement
Informieren Sie uns, wenn Sie einen Fehler gefunden haben.