Ersatzteile
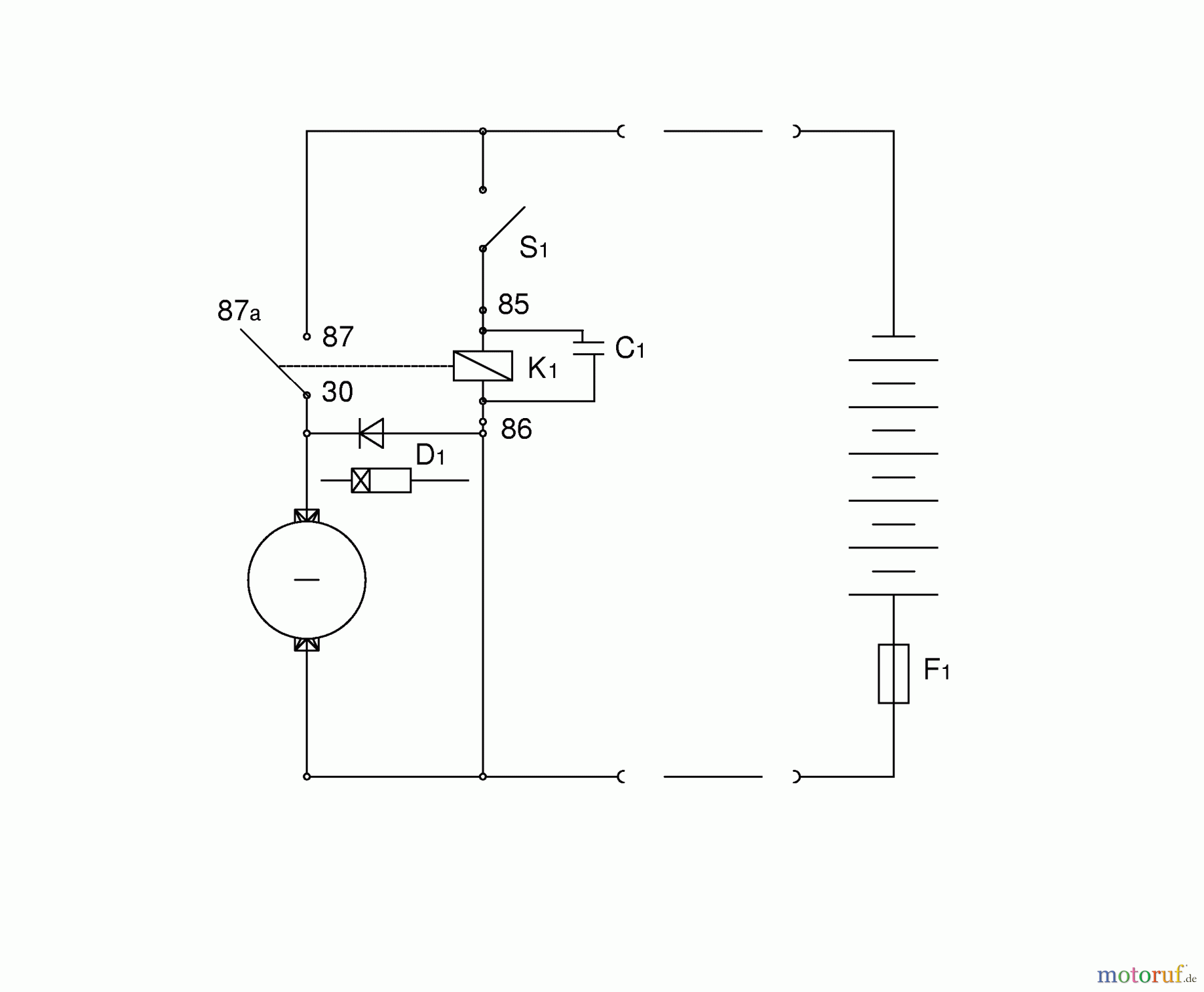
Schaltplan 3617000 Serie A (2004)

Ersatzteile für WOLF-Garten Geräte können Sie bei uns ganz einfach online kaufen. Wählen Sie das Ersatzteil über die Ersatzteilliste Ihres Gerätes aus.
| BildNr | Artikel Nummer | Bezeichnung | |
| C1 | Kondensator | ||
| D1 | Diode | ||
| F1 | UEberstromausloeser | ||
| S1 | Geraeteschalter | ||
| K1 | Relais | ||

