Ersatzteile
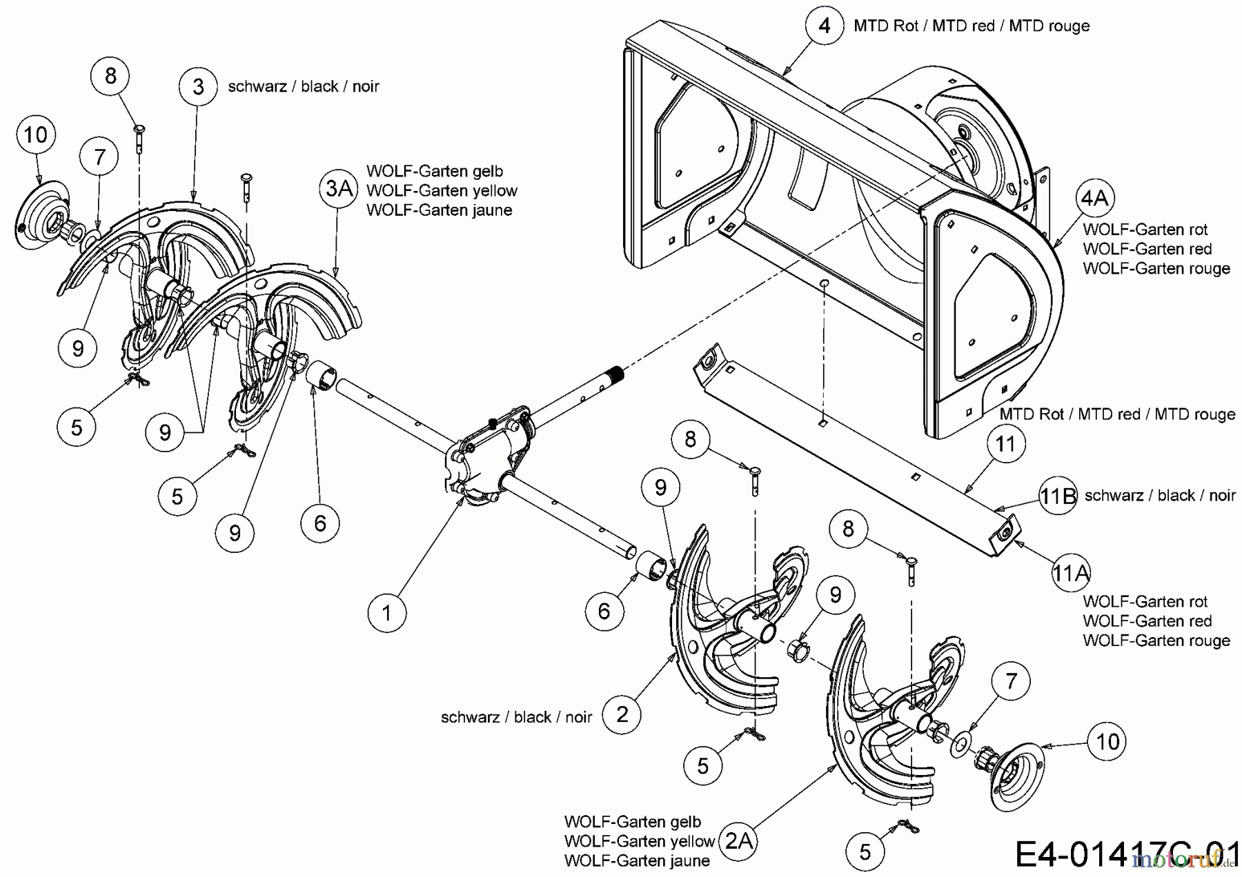
Fräsgehäuse, Schnecke, Schneckenantrieb 31A-32AD650 (2017)

Ersatzteile für WOLF-Garten Geräte können Sie bei uns ganz einfach online kaufen. Wählen Sie das Ersatzteil über die Ersatzteilliste Ihres Gerätes aus.


Qualitätsmanagement
Informieren Sie uns, wenn Sie einen Fehler gefunden haben.


