Ersatzteile
Mähwerksgehäuse 12B-TV5M650 (2016)

Ersatzteile für WOLF-Garten Geräte können Sie bei uns ganz einfach online kaufen. Wählen Sie das Ersatzteil über die Ersatzteilliste Ihres Gerätes aus.
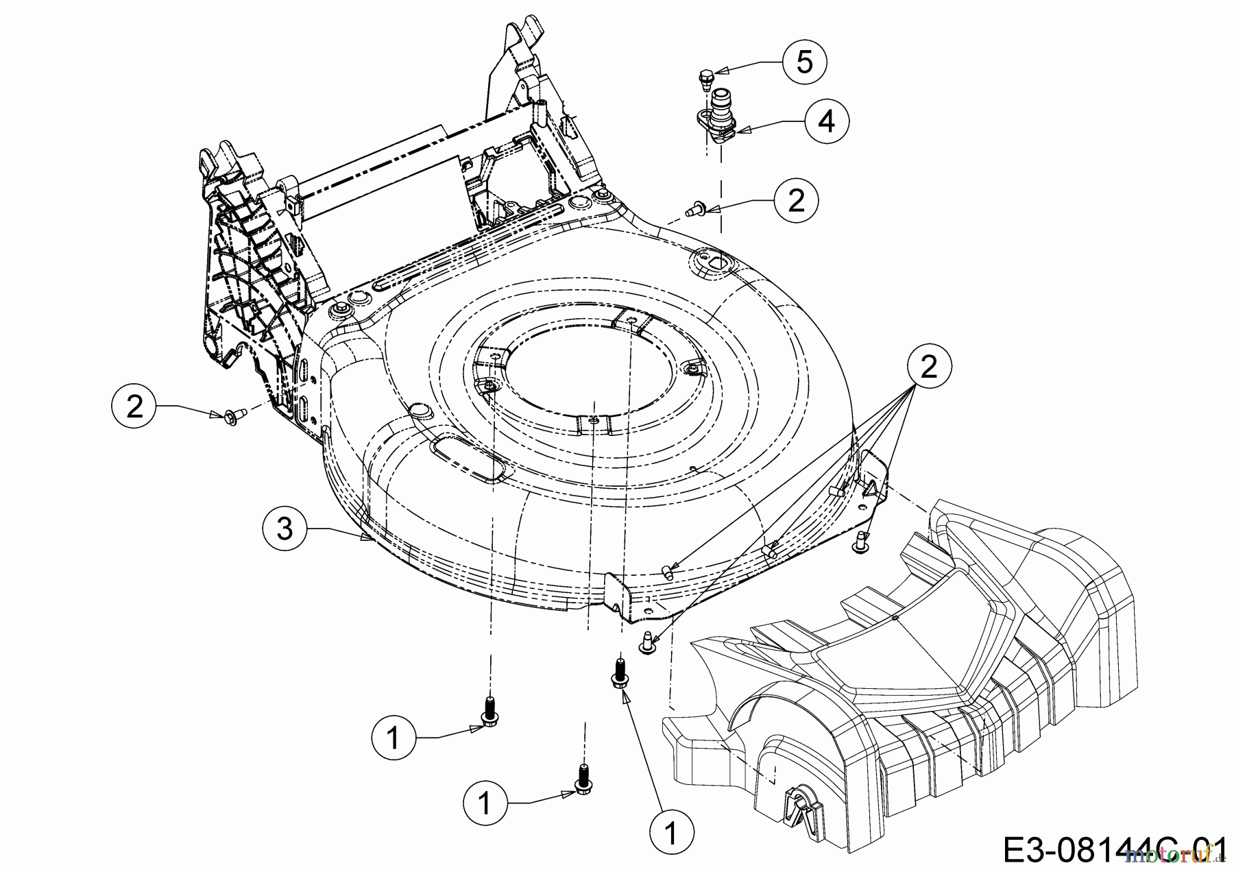
| BildNr | Artikel Nummer | Bezeichnung | |
| 1 | ![]() | 710-04683C | 6KT-SCHRAUBE:TT:3/8-16:1.000 |
| 2 | ![]() | 710-05425A | SCHRAUBE 5/16-14:.750 |
| 3 | 787-03077A | ||
| 4 | 731-07487 | WASCHDÜSE:DECKREINIGUNG | |
| 5 | ![]() | 738-04502 | 6KT-SCHULTERSCHR:1/4-20:0.50 |


Qualitätsmanagement
Informieren Sie uns, wenn Sie einen Fehler gefunden haben.


