Ersatzteile
Motorkeilriemenscheibe 13A326SC650 (2015)

Ersatzteile für WOLF-Garten Geräte können Sie bei uns ganz einfach online kaufen. Wählen Sie das Ersatzteil über die Ersatzteilliste Ihres Gerätes aus.
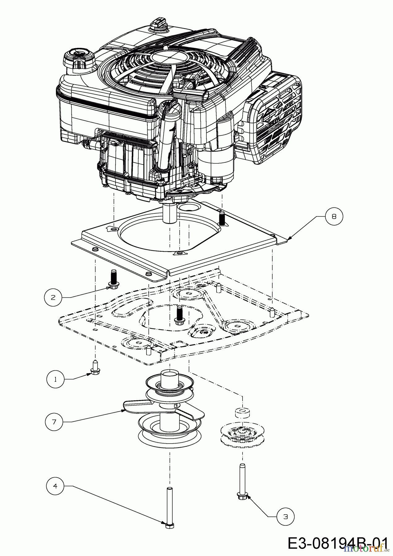
| BildNr | Artikel Nummer | Bezeichnung | |
| 1 | ![]() | 710-04484 | 6KT-SCHRAUBE:TT:5/16-18:.750 |
| 2 | ![]() | 710-04683C | 6KT-SCHRAUBE:TT:3/8-16:1.000 |
| 3 | 710-05446 | 6KT-SCHRAUBE:TT:3/8-16:2.250 | |
| 4 | 710-1273 | SKT.-SCHRAUBE | |
| 7 | 756-05002 | MOTORRIEMENSCHEIBE | |
| 8 | 783-07403 | ||


Qualitätsmanagement
Informieren Sie uns, wenn Sie einen Fehler gefunden haben.

