Einkaufswagen
Mein Konto

Ersatzteile

Mähwerk G (42"/107cm) 13TN79RG650 (2014)

 Wolf-Garten Rasentraktoren Ambition 107.175 H 13TN79RG650  (2014) Mähwerk G (42

Ersatzteile für WOLF-Garten Geräte können Sie bei uns ganz einfach online kaufen. Wählen Sie das Ersatzteil über die Ersatzteilliste Ihres Gerätes aus.

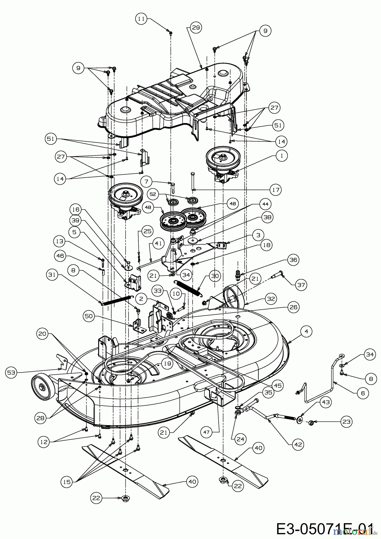
BildNrArtikel NummerBezeichnung
1 Wolf-Garten MESSERSPINDEL:RIEMENSCH:6.3DIA618-04456AMESSERSPINDEL:RIEMENSCH:6.3DIA
2 683-0254BHALTER VOLLST:DECKAUFHÄNGUNG
3 683-04138BBREMSE VOLLST:DECK:42"
4 683-04262A
5 Wolf-Garten BRAKE ASM: DECK: LT5683-04167BRAKE ASM: DECK: LT5
6 683-04443KEILRIEMENFÜHRUNG VOLLST:42"
7 Wolf-Garten 6KT-SCHR:3/8-16:1.75:GR5:STD710-03476KT-SCHR:3/8-16:1.75:GR5:STD
8 Wolf-Garten 6KT-SCHRAUBE:TT:5/16-18:.750710-044846KT-SCHRAUBE:TT:5/16-18:.750
9 710-05045A6KT-SCHRAUBE:TT:5/16-18:.750
10 Wolf-Garten 6KT-SCHR:5/16-18:1.25:GR5:STD710-05286KT-SCHR:5/16-18:1.25:GR5:STD
11 Wolf-Garten 6KT-SCHRAUBE:TT:1/4-20:0.500710-05996KT-SCHRAUBE:TT:1/4-20:0.500
12 710-07516KT-SCHR:1/4-20:.620:GR5:STD
13 Wolf-Garten 6KT-SCHR:TT:1/4-20:1.500:HXIND710-07786KT-SCHR:TT:1/4-20:1.500:HXIND
14 Wolf-Garten 6KT-SCHR:B:#10-16:0.440:HEX710-09196KT-SCHR:B:#10-16:0.440:HEX
15 Wolf-Garten 6KT-SCHR:TT:5/16-18:.750710-1260A6KT-SCHR:TT:5/16-18:.750
16 Wolf-Garten 6KT-SCHR:5/16-18:.75 GR5:STD710-30086KT-SCHR:5/16-18:.75 GR5:STD
17 Wolf-Garten 6KT-SCHR:3/8-16:3.50:GR5:STD710-30856KT-SCHR:3/8-16:3.50:GR5:STD
18 Wolf-Garten KLEMMSCHEIBE:3/8712-0229KLEMMSCHEIBE:3/8
19 Wolf-Garten 6KT-BUNDMUTTER:5/16-18:NYLON712-040636KT-BUNDMUTTER:5/16-18:NYLON
20 Wolf-Garten 6KT-BUNDMUTTER:1/4-20:NYLON712-040646KT-BUNDMUTTER:1/4-20:NYLON
21 Wolf-Garten S-6KT-BUNDMUTTER 3/8-16:NYLON712-04065S-6KT-BUNDMUTTER 3/8-16:NYLON
22 Wolf-Garten 6KT-BUNDMUTTER:5/8-18712-0417A6KT-BUNDMUTTER:5/8-18
23 Wolf-Garten KRONENMUTTER:1/2-13712-04243KRONENMUTTER:1/2-13
24 Wolf-Garten 6KT-MUTTER:FL:M16-1.5 DIN 936712-06416KT-MUTTER:FL:M16-1.5 DIN 936
25 Wolf-Garten FEDERSTECKER714-04040FEDERSTECKER
26 Wolf-Garten ZAHNRAD:Z10:DECKEINSTELLUNG717-04074ZAHNRAD:Z10:DECKEINSTELLUNG
27 Wolf-Garten DRUCKSCHEIBE:.3125 ID726-0201DRUCKSCHEIBE:.3125 ID
28 726-0233DRUCKSCHEIBE:.25 ID X .50 OD
29 Wolf-Garten KEILRIEMENABDECKUNG:DECK 42"731-05657BKEILRIEMENABDECKUNG:DECK 42"
30 Wolf-Garten ZUGFEDER:.75 OD x 6.375LG732-04280BZUGFEDER:.75 OD x 6.375LG
31 Wolf-Garten ZUGFEDER:.500 DIA x 6.375LG732-04287ZUGFEDER:.500 DIA x 6.375LG
32 734-0973DECKRAD:5.0 x 1.38
33 Wolf-Garten FEDERRING:5/16" NORMALAUSF.736-0119FEDERRING:5/16" NORMALAUSF.
34 Wolf-Garten SCHEIBE:FLACH:.406 x.875 x.059736-0300SCHEIBE:FLACH:.406 x.875 x.059
35 Wolf-Garten SCHNORR-SCHEIBE 17x23.8x1.95736-0760SCHNORR-SCHEIBE 17x23.8x1.95
36 Wolf-Garten WASCHDÜSE:DECK:737-04003DWASCHDÜSE:DECK:
37 Wolf-Garten SCHULTERSCHR:.496x1.525:3/8-16738-0373SCHULTERSCHR:.496x1.525:3/8-16
38 Wolf-Garten BUNDSCHEIBE:.8840 x .190738-04162CBUNDSCHEIBE:.8840 x .190
39 738-04166DISTANZSTÜCK:.5000 x.1475
40 Wolf-Garten MESSER:21.23"LG:HIGH LIFT:3IN1742-0616AMESSER:21.23"LG:HIGH LIFT:3IN1
41 747-04379ABREMSSTANGE:42" DECK
42 Wolf-Garten HALTESTANGE:DECK:VORN 42" LT5747-04882HALTESTANGE:DECK:VORN 42" LT5
43 748-04069GELENKSCHALE:DECKAUSHEBUNG
44 Wolf-Garten BUNDBUCHSE:HEBELFÜHRUNG748-05029ABUNDBUCHSE:HEBELFÜHRUNG
45 750-04446HÜLSE:3/8 ID x.68 OD x 1.46 LG
46 Wolf-Garten DISTANZSTÜCK:.260x.372x1.030 L750-0566ADISTANZSTÜCK:.260x.372x1.030 L
47 Wolf-Garten KEILRIEMEN:V:A:96.5":ARAM:C2754-04060CKEILRIEMEN:V:A:96.5":ARAM:C2
48 Wolf-Garten SPANNROLLE:4.25" DIA:HD756-05042SPANNROLLE:4.25" DIA:HD
49 771-11725AANHÄNGER:SICHERHEIT:DEFLEKTOR
50 783-04740FÜHRUNGSBL:BOWDENZUG:DECKBETÄT
51 783-05497BLECH:KEILRIEMENFÜHRUNG
52 Wolf-Garten ABDECKBLECH:RD:SPANNROLLE:HD783-08389ABDECKBLECH:RD:SPANNROLLE:HD
53 783-1025ANSCHLAG:DELEKTOR
Bankeinzug, MasterCard, Visa, American Express, PayPal, Nachnahme, Vorauskasse, Sofortüberweisung