Ersatzteile
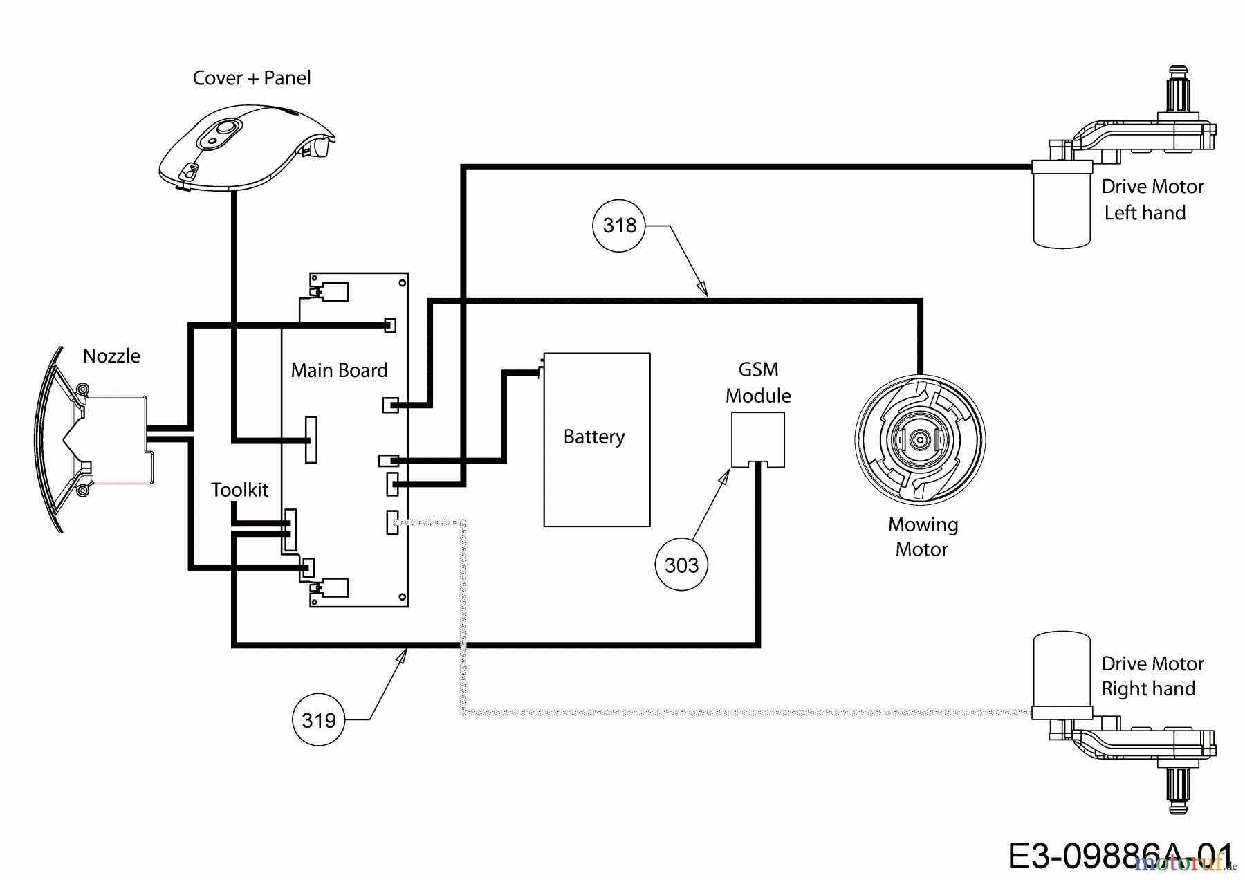
Kabel Mähmotor, Kabel Kommunikationsübertragung, Schaltplan 22AXDAHA650 (2018)

Ersatzteile für WOLF-Garten Geräte können Sie bei uns ganz einfach online kaufen. Wählen Sie das Ersatzteil über die Ersatzteilliste Ihres Gerätes aus.
| BildNr | Artikel Nummer | Bezeichnung | |
| 303 | ESB7010D3 | KOMMUNIKATIONSMODUL (RCM) | |
| 318 | WSB9001D | KABELBAUM MÄHMOTOR | |
| 319 | WSB9006B | ÜBERTRAGUNGSKABEL RX | |


Qualitätsmanagement
Informieren Sie uns, wenn Sie einen Fehler gefunden haben.