Ersatzteile

Bremsstange, Bypassstange, Hinterachshalter rechts 13H271WE650 (2017)

 Wolf-Garten Rasentraktoren 92.130 H 13H271WE650  (2017) Bremsstange, Bypassstange, Hinterachshalter rechts

Ersatzteile für WOLF-Garten Geräte können Sie bei uns ganz einfach online kaufen. Wählen Sie das Ersatzteil über die Ersatzteilliste Ihres Gerätes aus.

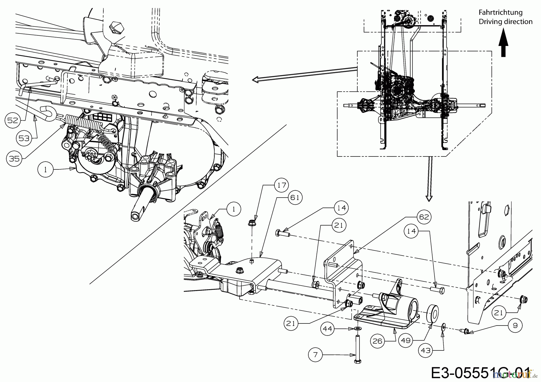
BildNrArtikel NummerBezeichnung
1 618-04911GETRIEBE:HYDRO:HG T2:LT-5
2 647-04198B-ZPEDALWELLE VST:HYDRO:VERZINKT
3 647-04215ABREMSWELLE VST:LT-5 HYD:RR DIS
4 647-05061-ZSCHALTSTANGE VOLLST:VERZINKT
5 683-0604AHALTER VST:DOPPEL-SPANNROLLE
6 710-0111FL-RD-SCHRAUBE:1/4-20x1.25" LG
7 710-01896KT-SCHR:5/16-18x3.00:GR5:STD
8 710-050676KT-SCHRAUBE:C:#12-24:2.000"
9 Wolf-Garten 6KT-SCHRAUBE:TT:1/4-20:0.500710-05996KT-SCHRAUBE:TT:1/4-20:0.500
10 Wolf-Garten 6KT-SCHRAUBE:TT:5/16-18:0.625710-0604A6KT-SCHRAUBE:TT:5/16-18:0.625
11 Wolf-Garten 6KT-SCHR:TT:5/16-18:0.500:HXIN710-06076KT-SCHR:TT:5/16-18:0.500:HXIN
12 710-0932AFL-RD SCHRAUBE:1/4-20:1.00:GR5
13 Wolf-Garten 6KT-SCHRAUBE:B:#10-16:0.625:SP710-10036KT-SCHRAUBE:B:#10-16:0.625:SP
14 710-16826KT-SCHRAUBE:M8x25 DIN 933-8.8
15 Wolf-Garten 6KT-SCHR.3/8-16:2.00:GR5:STD710-31446KT-SCHR.3/8-16:2.00:GR5:STD
16 Wolf-Garten SPINDELMUTTER:1/2-20 x.500 DIA711-04036SPINDELMUTTER:1/2-20 x.500 DIA
17 Wolf-Garten 6KT-BUNDMUTTER:5/16-18:NYLON712-040636KT-BUNDMUTTER:5/16-18:NYLON
18 Wolf-Garten 6KT-BUNDMUTTER:1/4-20:NYLON712-040646KT-BUNDMUTTER:1/4-20:NYLON
19 Wolf-Garten S-6KT-BUNDMUTTER 3/8-16:NYLON712-04065S-6KT-BUNDMUTTER 3/8-16:NYLON
20 Wolf-Garten S-MUTTER:FLGLK:3/8-16:GRF:TOP712-0431S-MUTTER:FLGLK:3/8-16:GRF:TOP
21 712-07146KT-BUNDMUTTER M8-1.25:DIN6926
22 712-30666KT-MUTTER:1/2-20:GR5
23 Wolf-Garten SPLINT:3/32 x 1.0"714-0111SPLINT:3/32 x 1.0"
24 Wolf-Garten SPLINT:1/8 x 1.0"714-0115SPLINT:1/8 x 1.0"
25 Wolf-Garten FEDERSTECKER714-04040FEDERSTECKER
26 719-0534LAGERBLOCK (ALUMINIUM A 380)
27 725-05050SCHALTFEDER:EINZELN MONTIERT
28 Wolf-Garten AUFDRUCKKAPPE:.625 DIA726-0214AUFDRUCKKAPPE:.625 DIA
29 726-0233DRUCKSCHEIBE:.25 ID X .50 OD
30 726-04089ISOLIERSTÜCK:SCHALTER
31 731-07514BUCHSE:2 3/8 x 1 5/16:HYDR LT5
32 Wolf-Garten LÜFTERFLÜGEL:MESSER:10731-1449ALÜFTERFLÜGEL:MESSER:10
33 732-0209ZUGFEDER: .48 OD x 2.03
34 Wolf-Garten ZUGFEDER:.50 DIA x 3.97 LG732-0429AZUGFEDER:.50 DIA x 3.97 LG
35 Wolf-Garten ZUGFEDER: .59 OD x 4.00 LG732-0716DZUGFEDER: .59 OD x 4.00 LG
36 732-3118ZUGFEDER:.375 OD x 1.44 LG
37 Wolf-Garten PEDALGUMMI:RUND:GERILLT:4.0 LG735-0239PEDALGUMMI:RUND:GERILLT:4.0 LG
38 735-04113TRITTBRETTBELAG GUMMI REV.
39 Wolf-Garten SCHEIBE:FLACH:.385x1.000x.135736-0258SCHEIBE:FLACH:.385x1.000x.135
40 Wolf-Garten SCHEIBE:FL:.510 x 1.000 x.060736-0272SCHEIBE:FL:.510 x 1.000 x.060
41 736-0275SCHEIBE:FL:.344 x .688 x .065
42 Wolf-Garten SCHEIBE:FLACH:.406 x.875 x.059736-0300SCHEIBE:FLACH:.406 x.875 x.059
43 Wolf-Garten SCHEIBE A6.4  DIN      9021-ST736-0685SCHEIBE A6.4 DIN 9021-ST
44 736-0700SCHEIBE A8.4 DIN 125
45 Wolf-Garten PASSSCHEIBE:16x22x1    DIN 988736-0773PASSSCHEIBE:16x22x1 DIN 988
46 736-0921FEDERRING 1/2"
47 Wolf-Garten SCHEIBE:FLACH:.344x .750x .120736-3008SCHEIBE:FLACH:.344x .750x .120
48 Wolf-Garten BUNDBUCHSE:0.381x0.624x0.200738-0372BBUNDBUCHSE:0.381x0.624x0.200
49 Wolf-Garten KUGELLAGER:19mmx40mmODx12mm741-0998KUGELLAGER:19mmx40mmODx12mm
50 Wolf-Garten LAGER:6KT/FLANSCH:.628 ID741-3065BLAGER:6KT/FLANSCH:.628 ID
51 747-05265SCHALTSTANGE:REV:HYDRO
52 747-05298SCHALTSTANGE:BY-PASS:HYDR:LT-5
53 747-05313BREMSSTANGE:LT-5:HYDRO T2
54 Wolf-Garten KEILRIEMEN:V-TYP:1/2 x 84.10"754-04258KEILRIEMEN:V-TYP:1/2 x 84.10"
55 Wolf-Garten SPANNROLLE:V-TYPE 3.06 OD756-0236SPANNROLLE:V-TYPE 3.06 OD
56 756-1052RIEMENSCHEIBE:GETRIEBE:4.50DIA
57 Wolf-Garten SPANNROLLE:FLAT:.384x2.75x.875756-3054ASPANNROLLE:FLAT:.384x2.75x.875
58 783-04536BSTÜTZBLECH:PEDAL:LT-5
59 783-05809BFÜHRUNGSPLATTE:STEUERUNG
60 783-05867WINKELBLECH:REV:PEDAL:AUTOMATI
61 783-06563MONTAGEWINKEL:RECHTS:HYD:HG T2
62 783-06577HALTEBLECH:RECHTS HYDRO:LT-5
63 783-06582FEDERHALTER:HYDRO LT-5
64 783-07369-ZSPERRKLINKE:VERZINKT
Bankeinzug, MasterCard, Visa, American Express, PayPal, Nachnahme, Vorauskasse, Sofortüberweisung
Qualitätsmanagement
Informieren Sie uns, wenn Sie einen Fehler gefunden haben.