Ersatzteile

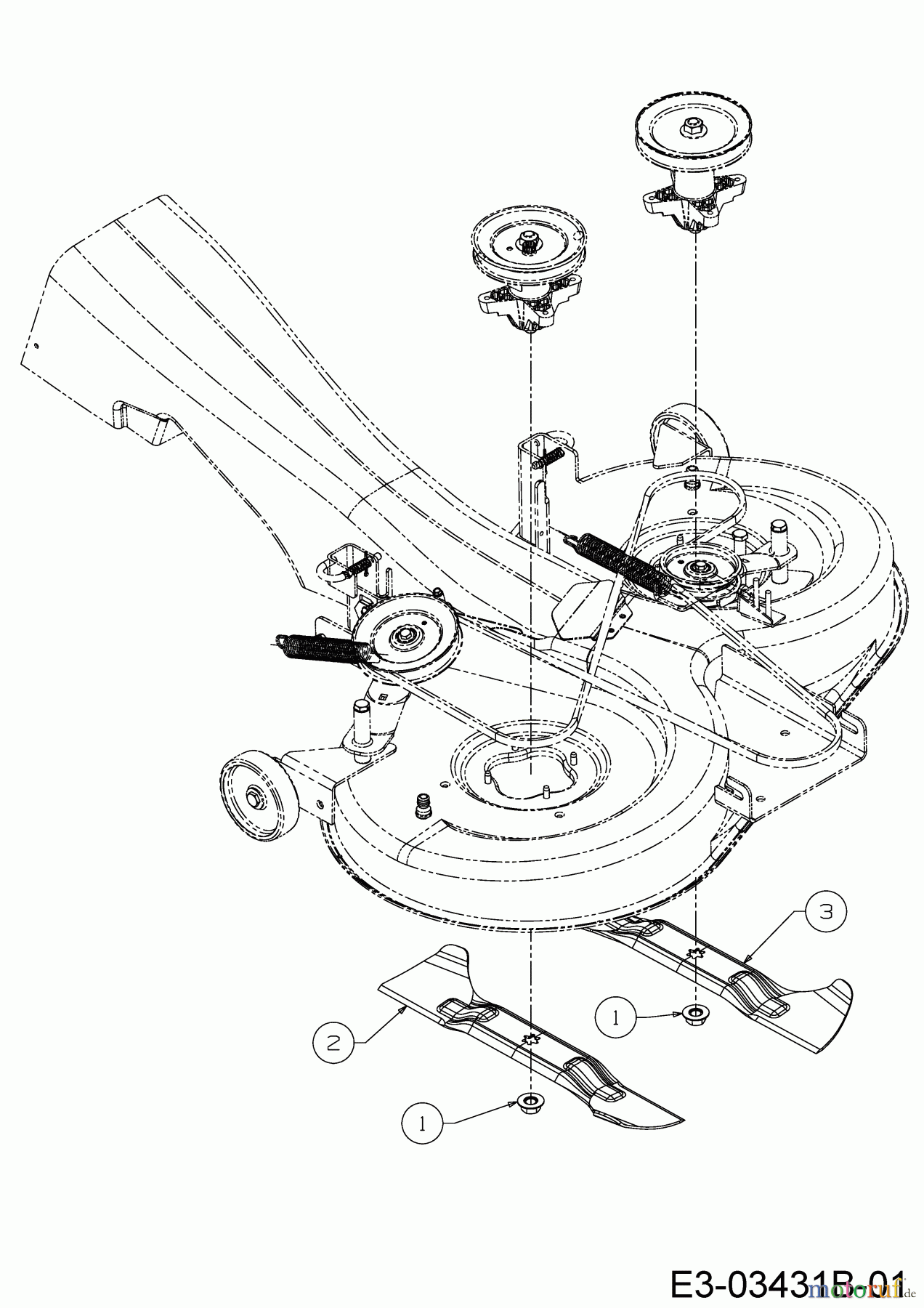
Messer 13HN71WN650 (2017)

 Wolf-Garten Rasentraktoren 105.175 H 13HN71WN650  (2017) Messer

Ersatzteile für WOLF-Garten Geräte können Sie bei uns ganz einfach online kaufen. Wählen Sie das Ersatzteil über die Ersatzteilliste Ihres Gerätes aus.

Bankeinzug, MasterCard, Visa, American Express, PayPal, Nachnahme, Vorauskasse, Sofortüberweisung
Qualitätsmanagement
Informieren Sie uns, wenn Sie einen Fehler gefunden haben.