Ersatzteile
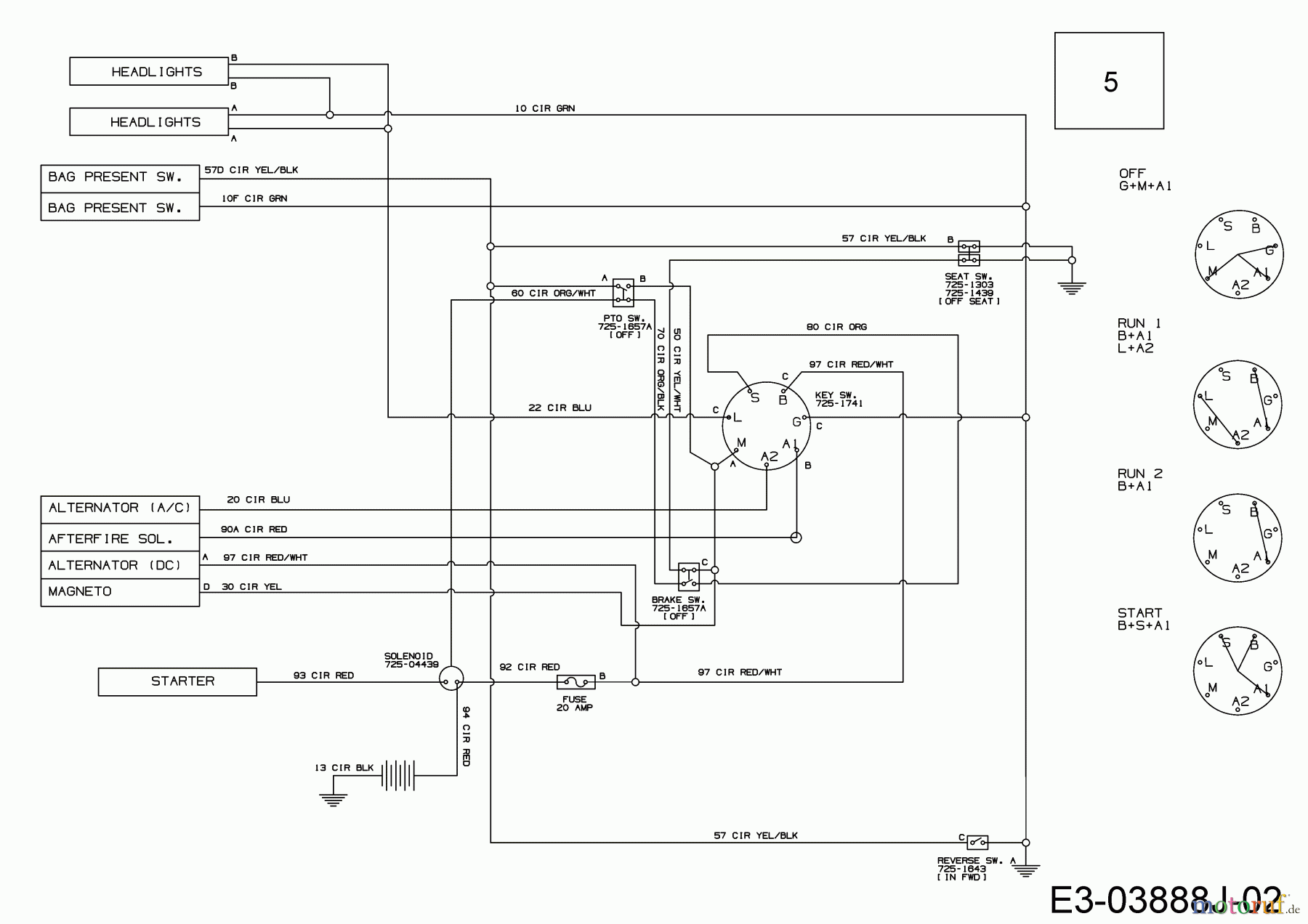
Schaltplan 13AH71RE650 (2018)

Ersatzteile für WOLF-Garten Geräte können Sie bei uns ganz einfach online kaufen. Wählen Sie das Ersatzteil über die Ersatzteilliste Ihres Gerätes aus.
| BildNr | Artikel Nummer | Bezeichnung | |
| 5 | 725-05502A | KABELBAUM:LT-5:B&S:HL:4NRMC | |


Qualitätsmanagement
Informieren Sie uns, wenn Sie einen Fehler gefunden haben.