Ersatzteile

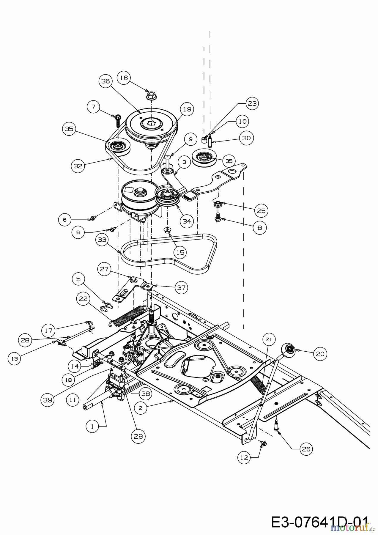
Fahrantrieb 13A326SC650F (2016)

 Wolf-Garten Rasentraktoren Scooter Mini / RDE 60 M 13A326SC650F  (2016) Fahrantrieb

Ersatzteile für WOLF-Garten Geräte können Sie bei uns ganz einfach online kaufen. Wählen Sie das Ersatzteil über die Ersatzteilliste Ihres Gerätes aus.

Bankeinzug, MasterCard, Visa, American Express, PayPal, Nachnahme, Vorauskasse, Sofortüberweisung
Qualitätsmanagement
Informieren Sie uns, wenn Sie einen Fehler gefunden haben.