Ersatzteile
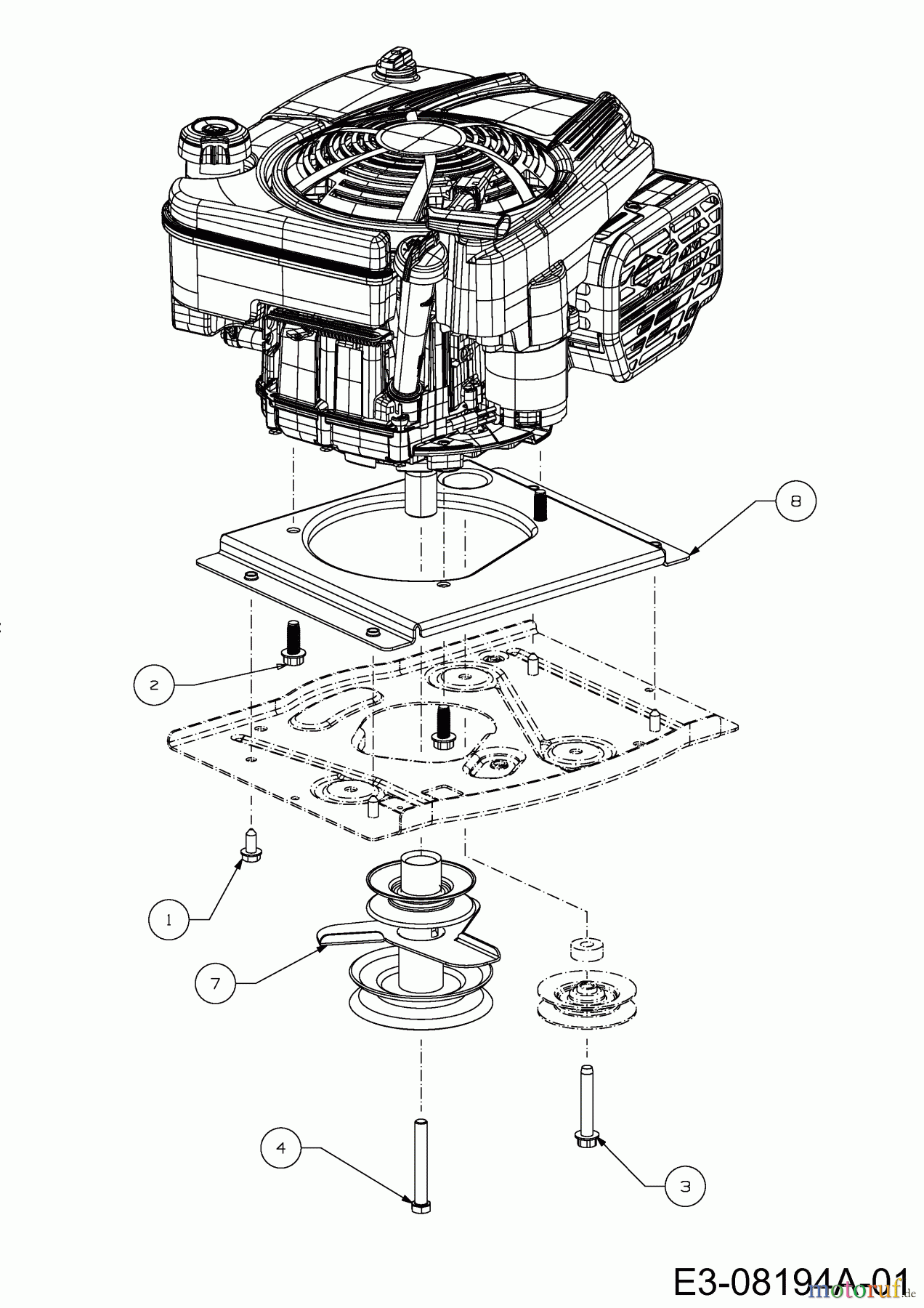
Motorkeilriemenscheibe, Motorzubehör 13A326EC650F (2014)

Ersatzteile für WOLF-Garten Geräte können Sie bei uns ganz einfach online kaufen. Wählen Sie das Ersatzteil über die Ersatzteilliste Ihres Gerätes aus.
| BildNr | Artikel Nummer | Bezeichnung | |
| 1 | ![]() | 710-04484 | 6KT-SCHRAUBE:TT:5/16-18:.750 |
| 2 | 710-04683A | 6KT-SCR:TT:3/8-16:1.000 | |
| 3 | 710-05446 | 6KT-SCHRAUBE:TT:3/8-16:2.250 | |
| 4 | 710-1273 | SKT.-SCHRAUBE | |
| 7 | 756-05002 | DOPPELRIEMENSCHEIBE:MOTOR | |
| 8 | 783-07403 | ||


Qualitätsmanagement
Informieren Sie uns, wenn Sie einen Fehler gefunden haben.
