Ersatzteile
15B-AA--650 (2017) TT 300 S

Ersatzteile für WOLF-Garten Geräte können Sie bei uns ganz einfach online kaufen. Wählen Sie das Ersatzteil über die Ersatzteilliste Ihres Gerätes aus.
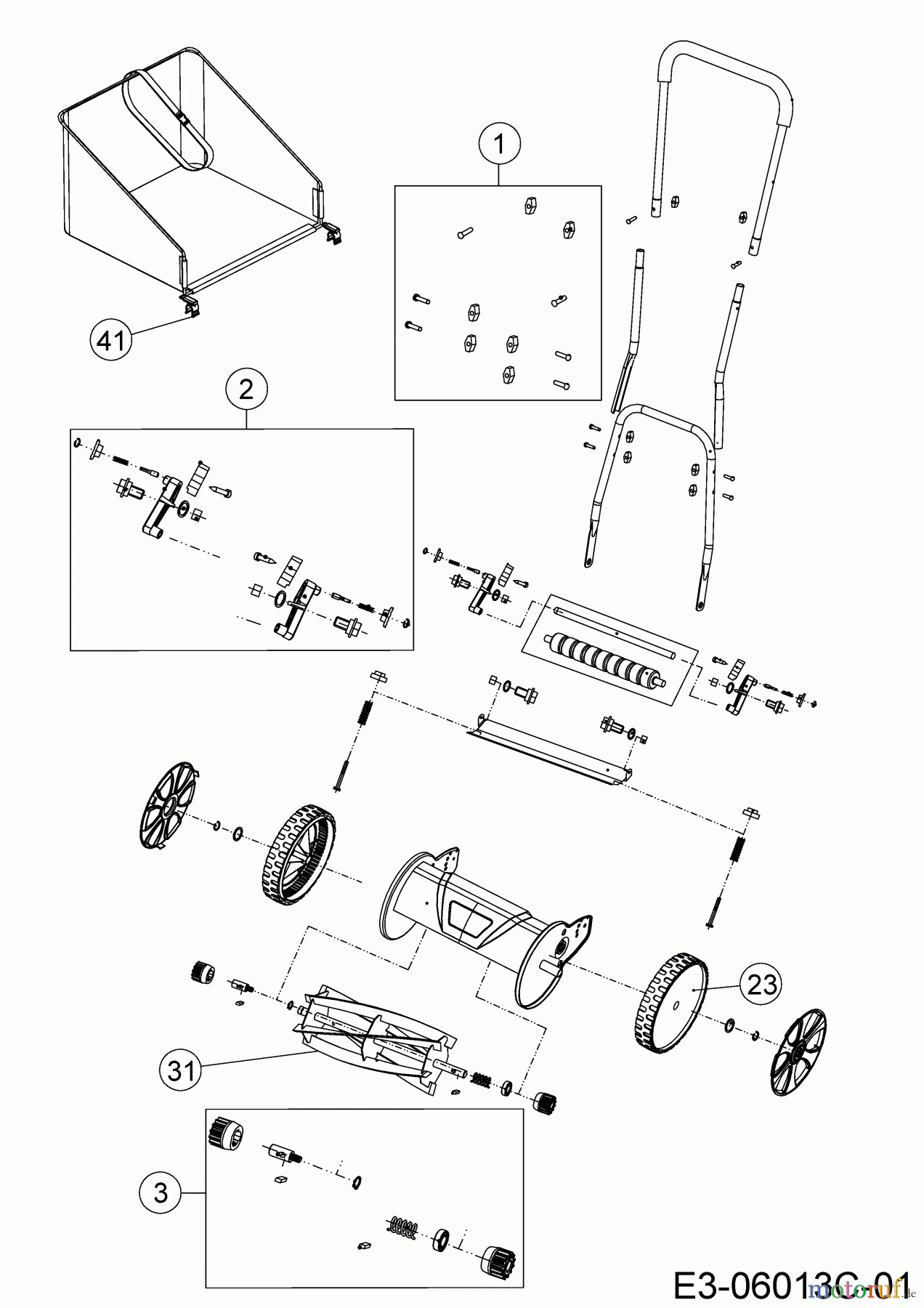
| BildNr | Artikel Nummer | Bezeichnung | |
| 1 | 092.61.451 | BEIPACK HOLMBEFESTIGUNG | |
| 2 | 092.61.452 | BEIPACK BEFESTIGUNG WALZE | |
| 3 | 092.61.453 | RITZELSATZ | |
| 23 | 092.61.454 | RAD | |
| 31 | 092.61.455 | MESSERWALZE TT300S | |
| 41 | 092.61.456 | HALTECLIPS FANGSACK | |

