Ersatzteile
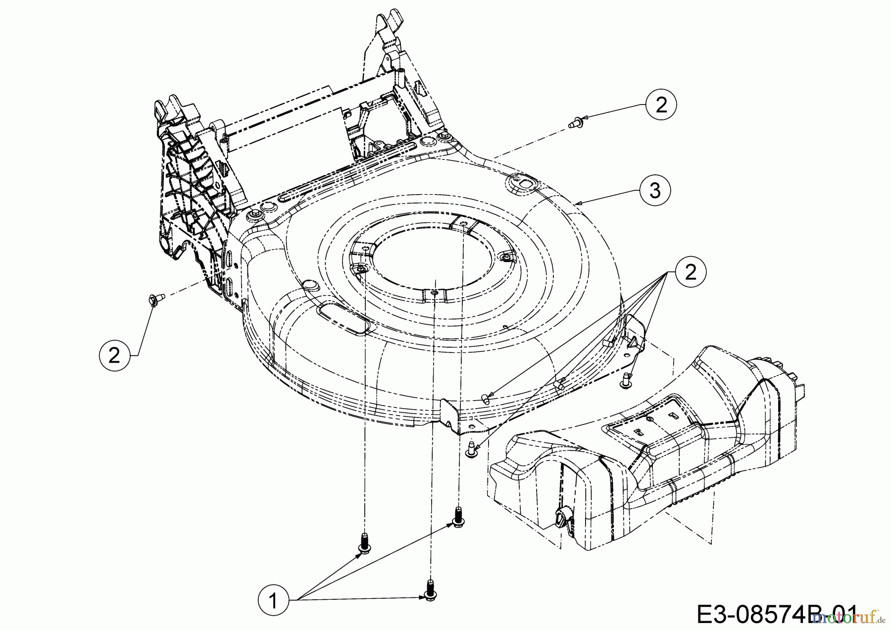
Mähwerksgehäuse 11A-LSSC650 (2017)

Ersatzteile für WOLF-Garten Geräte können Sie bei uns ganz einfach online kaufen. Wählen Sie das Ersatzteil über die Ersatzteilliste Ihres Gerätes aus.
| BildNr | Artikel Nummer | Bezeichnung | |
| 1 | ![]() | 710-04683C | 6KT-SCHRAUBE:TT:3/8-16:1.000 |
| 2 | ![]() | 710-05425A | 6KT-SCHR/SCHEIBE:5/16-14:.750 |
| 3 | 787-03072BWR | MÄHWERKSGEHÄUSE 42CM 2IN1 | |


Qualitätsmanagement
Informieren Sie uns, wenn Sie einen Fehler gefunden haben.

