Ersatzteile

24BC7G1C650 (2022) SDL 2800 EVO

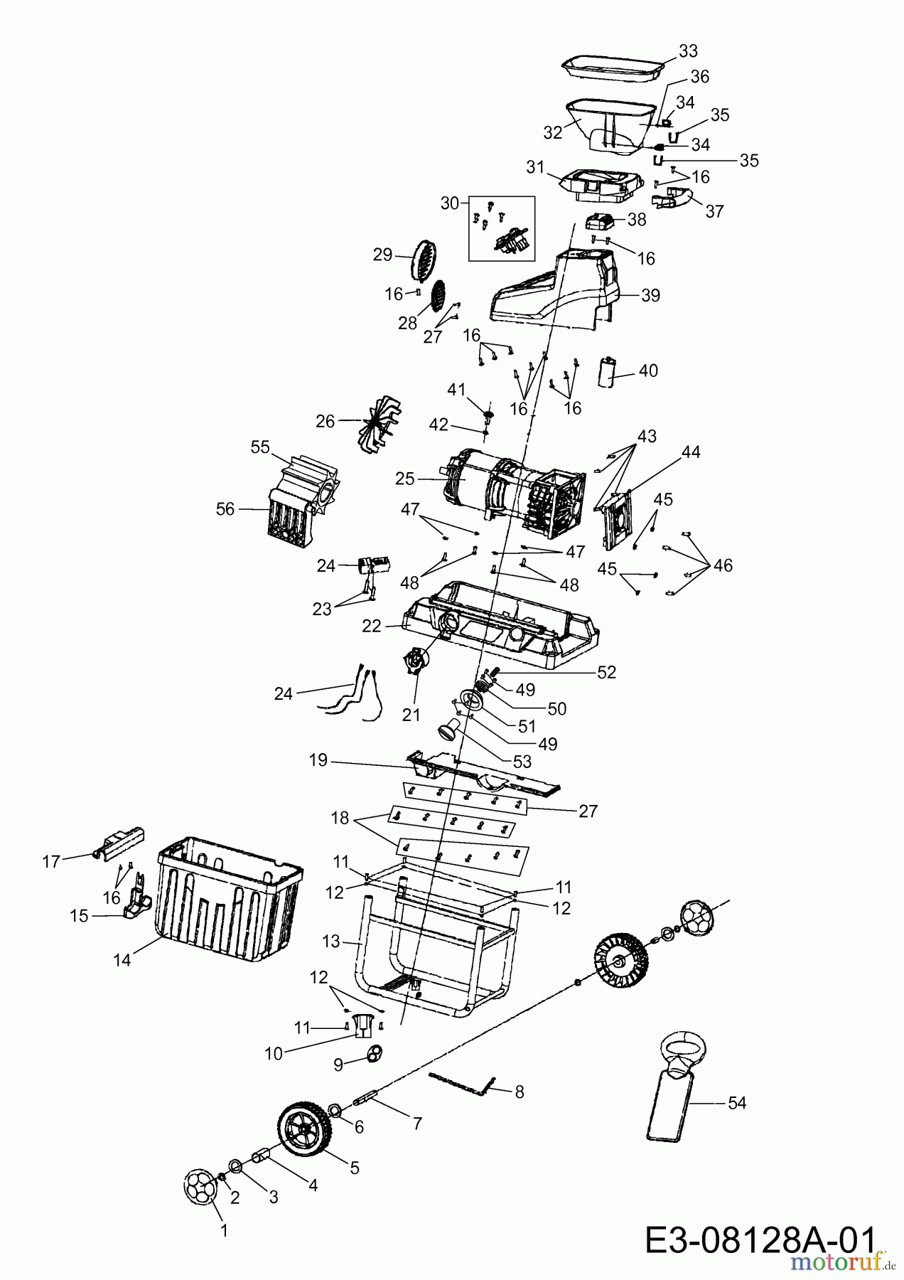
 Wolf-Garten Häcksler SDL 2800 EVO 24BC7G1C650 (2022) Grundgerät

Ersatzteile für WOLF-Garten Geräte können Sie bei uns ganz einfach online kaufen. Wählen Sie das Ersatzteil über die Ersatzteilliste Ihres Gerätes aus.

Bankeinzug, MasterCard, Visa, American Express, PayPal, Nachnahme, Vorauskasse, Sofortüberweisung
Qualitätsmanagement
Informieren Sie uns, wenn Sie einen Fehler gefunden haben.